美国Amcells高精度S型PST合金钢称重传感器主要技术参数:
◆额定载荷Rated load:20、30、50、75、100、150、200、250、300、500、700Kg、1、1.2、1.5、2、2.5、3、5、7.5、10T
◆综合误差Total error:±0.02%F.S;±0.03%F.S
◆蠕变(30分钟)Creep(30min):±0.02%F.S
◆灵敏度Sensitivity:2.0±0.002mV/V
◆零点平衡Zero balance:±1%F.S
◆零点温度影响TCO:±0.02%F.S/10℃
◆输入阻抗Input reslstance:400±10Ω
◆输出阻抗Output reslstance:352±2Ω
◆绝缘电阻Insulation resistance:≥5000MΩ
◆输出温度影响TC SPAN:±0.02%F.S/10℃
◆工作温度范围Operating Temp Range:-30~+70℃
◆安全过载Safe load limit:120%F.S
◆极限过载Lateral load limit:200%F.S
◆推荐激励电压Recommend excitation:10~12VDC
◆最大激励电压Maximun excitation:15VDC
◆密封等级Protection Class:IP67(20~1000Kg)、IP68(1.2~10T)
◆材质Construction:合金钢Alloy Steel
◆电缆Cable: Length:5m Diameter:Ø5mm
EXC+(红,Red);Exc-(黑,Black);Sig+(绿,Green);Sig-(白,White)
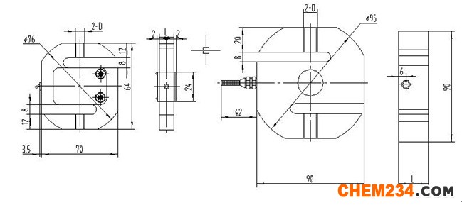
对应尺寸:
|
额定载荷(kg)
|
D(mm)
|
L(mm)
|
|
20-150
|
M8
|
12
|
|
200-500
|
M12
|
20
|
|
750-1000
|
M12
|
25
|

