泊头CLB型沥青保温齿轮泵

 
 
单价 400.00 / 台对比
销量 暂无
发货 河北沧州市付款后3天内
库存 100台起订1台
品牌 远大
型号 CLB型沥青保温齿轮泵
规格 CLB型沥青保温齿轮泵
过期 长期有效
更新 2014-05-01 16:47
 

泊头齿轮泵厂

企业会员第14年
资料未认证
保证金未缴纳
详细说明
CLB型沥青保温齿轮泵
 
产品编号:
42917403916
产品名称:
CLB型沥青保温齿轮泵
规  格:
CLB型沥青保温齿轮泵
产品备注:
CLB型沥青保温齿轮泵
产品类别:
齿轮泵系列
 
   产 品 说 明
CLB型沥青保温齿轮泵
 
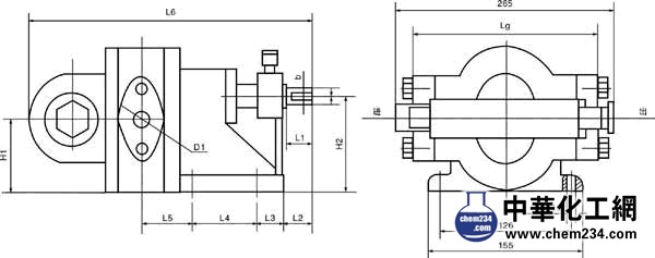
CLB型沥青保温齿轮泵为旋转式,主要由泵体、机座、主动齿轮、从动齿轮和安全阀体等组成。
       主动轴由一个附加的含油轴套支承,通过油杯补充HG-24号饱和汽缸油润滑。
       泵的两侧装有带圆锥管螺纹的连接头以便连接进口管道位,该圆锥销制有内螺纹以便于拆卸。其密封纸垫还用以调整齿轮的轴向间隙,该间隙规定为单向在0.05-0.08mm之间。
      机座的下部有四个孔供安装使用
        本泵设有安全阀,出厂时已调定工作压力为1-+0.05mpa并加以铅封。
        工作时,介质进入吸液腔,通过齿轮的旋转将介质压入排液腔并流出。调节手轮可以改变输出流量,当向右旋转手轮,安全阀被顶开,泵即失去输出压力而停止排液;当向左旋转手轮,安全阀即恢复作用,介质正常输出。
        主要用于抽吸、输送和喷布高温的沥青(渣油)液体,最适用于道路和广场等建筑工程的沥青(渣油)喷布作业,也可在常温下用于抽吸、输送非高挥发性、低闪点的石油产品,如各种机油、机械油及重油等。

举报收藏 0评论 0
更多>本企业其它产品
泊头LQB系列保温齿轮泵 JYB系列焦油泵 泊头CH、CHY系列直流齿轮油泵 泊头CB-B系列合金铝齿轮泵 泊头GNCB系列高粘度磁力驱动齿轮泵 泊头 JCB系列夹套保温型沥青、重油泵 泊头DHB系列点火油泵/增压燃油泵