
一、概述YJZ-125-6振动电机 YJZ-18-6三相异步振动电机 新乡振动电机
YJZ系统振动源三相异步电动机是机械产业部铸锻机械研究所与我公司共同研制开发的新产品,也是T01系列的改型产品,它是各类振动机械的通用型激振源,可广泛应用于矿山、建筑、建材、冶金、铸造、机械制造、化工、粮食、煤炭、电力、交通运输和铁路等行业,用于完成给料、输送、筛分、脱水、冷却、干燥、选剔、粉磨、光饰、落砂、成型、振捣、夯土、压路、料仓防闭塞等各种工作。
二、特点
1.该系列电机与T01系统相比,体积小、重量轻。
2.耐振能力强,可在19.6m/S2的振动加速度下运行。
3.起动迅速,停车平稳。
4.全封闭结构,可在任何无防爆要求的粉尘环境下工作。
5.激振力无级可调,使用方便。
6.轴承润滑选用特殊的耐高温、耐磨油脂、并采用了可靠的防尘密封装置,长期使用能保证良好的润滑效果和长的使用寿命。
7.电机接线盒内填充有耐油、耐水、耐老化、尽缘性能良好的不干性填料,因此使用安全、可靠。
8.可多机组合成各种振动形式,以完成各种作业要求。
9.可多机组合成各种振动形式,以完成各种作业要求。
9.规格齐全,振次有3000、1500、1000r/min,激振力从1~160KN,能满足各种振动机械的工作需要。
三、使用条件
环境温度:不超 过400c。
海拔:不超过1000m
电压:380V
频率:50HZ
接线方式:Y/△,尽缘等级:B级(根据需要可达到F级)
工作方式:连续(S1)
防护等级:IP55
四、型号说明

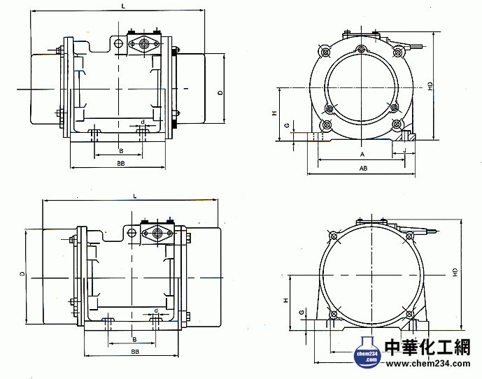
五、性能参数及安装尺寸
3相 2极 电压380V 频率50HZ 同步转速 3000r/min
| 型号 | 最大激振力(KN) | 额定功率(KW) | 额定电流(A) | 安装尺寸(mm) | 安装螺栓尺寸 N-MXX | 外形尺寸(mm) | 质量(kg) | 外形围号 | |||||||||
| A | B | N-φd | AB | BB | L | H | HD | D(φ) | G | J | |||||||
| YJZ0.6-2C | 0.6 | 0.075 | 0.3 | 165±0.25 | 80±0.25 | 4-φ9 | 4-M8 | 200 | 165 | 300 | 75 | 190 | 96 | 15 | 45 | 17.5 | 1 |
| YJZ1.2-2C | 1.2 | 0.25 | 0.63 | 165±0.25 | 80±0.25 | 4-φ13.5 | 4-M12 | 200 | 165 | 300 | 75 | 190 | 112 | 15 | 45 | 18.5 | 1 |
| YJZ2.5-2C | 2.5 | 0.28 | 0.63 | 165±0.25 | 80±0.25 | 4-φ13.5 | 4-M12 | 200 | 165 | 300 | 75 | 190 | 112 | 15 | 45 | 19.5 | 1 |
| YJZ5-2C | 5 | 0.4 | 1.04 | 185±0.25 | 90±0.25 | 4-φ17.5 | 4-M16 | 235 | 185 | 353 | 110 | 235 | 204 | 18 | 50 | 40 | 2 |
| YJZ10-2C | 10 | 0.75 | 1.9 | 220±0.25 | 115±0.25 | 4-φ18 | 4-M16 | 270 | 252 | 472 | 128 | 252 | 232 | 18 | 50 | 58.5 | 2 |
| YJZ20-2C | 20 | 1.5 | 1.5 | 260±0.25 | 115±0.25 | 6-φ22 | 6-M20 | 330 | 359 | 626 | 128 | 260 | 232 | 20 | 75 | 94 | 3 |
| YJZ30-2C | 30 | 2.2 | 2.2 | 275±0.3 | 137±0.3 | 6-φ22 | 6-M20 | 335 | 405 | 724 | 140 | 302 | 270 | 25 | 80 | 133 | 3 |
| YJZ48-2C | 48 | 3.5 | 8.3 | 315±0.3 | 147.5±0.3 | 6-φ26 | 6-M24 | 375 | 459 | 784 | 155 | 346 | 300 | 25 | 85 | 181 | 3 |
3相 4极 电压380V 频率50HZ 同步转速 1500r/min
| 型号 | 最大激振力(KN) | 额定功率(KW) | 额定电流(A) | 安装尺寸(mm) | 安装螺栓尺寸 N-MXX | 外形尺寸(mm) | 质量(kg) | 外形围号 | |||||||||
| A | B | N-φd | AB | BB | L | H | HD | D(φ) | G | J | |||||||
| YJZ1.2-4C | 1.2 | 0.075 | 0.3 | 155±0.25 | 75±0.25 | 4-φ9 | 4-M8 | 180 | 161 | 340 | 80 | 192 | 118 | 12 | 35 | 21 | 2 |
| YJZ2.5-4C | 2.5 | 0.15 | 0.46 | 165±0.25 | 80±0.25 | 4-φ13.5 | 4-M12 | 200 | 165 | 333 | 95 | 210 | 176 | 15 | 45 | 21 | 2 |
| YJZ5-4C | 5 | 0.2 | 0.65 | 185±0.25 | 90±0.25 | 4-φ17.5 | 4-M16 | 235 | 185 | 353 | 110 | 235 | 204 | 18 | 50 | 45 | 2 |
| YJZ10-4A | 10 | 0.55 | 1.4 | 220±0.25 | 140±0.25 | 4-φ22 | 4-M20 | 270 | 270 | 450 | 120 | 260 | 220 | 20 | 65 | 62 | 5 |
| YJZ10-4C | 10 | 0.4 | 1.1 | 220±0.25 | 115±0.25 | 4-φ22 | 4-M20 | 280 | 210 | 415 | 125 | 262 | 232 | 18 | 60 | 62 | 2 |
| YJZ20-4C | 20 | 1 | 2.5 | 285±0.3 | 150±0.25 | 4-φ26 | 4-M24 | 350 | 295 | 551 | 150 | 323 | 268 | 26 | 85 | 115 | 2 |
| YJZ30-4C | 30 | 1.5 | 3.8 | 330±0.3 | 170±0.3 | 4-φ33 | 4-M30 | 410 | 315 | 583 | 170 | 360 | 308 | 26 | 90 | 168 | 2 |
| YJZ50-4C | 50 | 2.5 | 6.6 | 375±0.3 | 108±0.3 | 6-φ33 | 6-M30 | 455 | 344 | 649 | 195 | 410 | 363 | 29 | 90 | 242 | 3 |
| YJZ5-4C | 75 | 4 | 10.5 | 400±0.3 | 127±0.3 | 6-φ33 | 6-M30 | 490 | 410 | 770 | 225 | 458 | 420 | 30 | 105 | 365 | 3 |
3相 6极 电压380V 频率50HZ 同步转速 1000r/min
| 型号 | 最大激振力(KN) | 额定功率(KW) | 额定电流(A) | 安装尺寸(mm) | 安装螺栓尺寸 N-MXX | 外形尺寸(mm) | 质量(kg) | 外形围号 | |||||||||
| A | B | N-φd | AB | BB | L | H | HD | D(φ) | G | J | |||||||
| YJZ2.5-6C | 2.5 | 0.2 | 0.67 | 185±0.25 | 90±0.25 | 4-φ17.5 | 4-M16 | 235 | 185 | 353 | 110 | 235 | 204 | 18 | 50 | 43 | 2 |
| YJZ5-6A | 5 | 0.37 | 1.3 | 220±0.25 | 140±0.25 | 4-φ22 | 4-M20 | 270 | 270 | 450 | 120 | 260 | 220 | 20 | 65 | 65 | 5 |
| YJZ5-6C | 5 | 0.4 | 1.2 | 220±0.25 | 115±0.25 | 4-φ17.5 | 4-M16 | 280 | 210 | 415 | 125 | 262 | 232 | 18 | 60 | 60 | 2 |
| YJZ10-6C | 10 | 0.75 | 2.2 | 260±0.3 | 150±0.25 | 4-φ26 | 4-M24 | 320 | 286 | 510 | 140 | 300 | 242 | 22 | 80 | 80 | 5 |
| YJZ10-6C | 10 | 0.75 | 2.2 | 240±0.25 | 115±0.25 | 4-φ22 | 4-M20 | 300 | 225 | 450 | 145 | 300 | 263 | 20 | 65 | 65 | 2 |
| YJZ20-6C | 20 | 1.5 | 4 | 330±0.3 | 170±0.3 | 4-φ26 | 4-M24 | 410 | 315 | 610 | 170 | 360 | 308 | 26 | 90 | 90 | 2 |
| YJZ30-6C | 30 | 2.2 | 5.8 | 330±0.3 | 170±0.3 | 4-φ33 | 4-M30 | 410 | 355 | 703 | 170 | 360 | 308 | 26 | 90 | 90 | 2 |
| YJZ48-6C | 48 | 3.7 | 9.6 | 375±0.3 | 108±0.25 | 6-φ33 | 6-M30 | 455 | 364 | 739 | 195 | 410 | 363 | 29 | 90 | 90 | 3 |
| YJZ63-6C | 63 | 5.5 | 14 | 420±0.5 | 135±0.25 | 6-φ39 | 6-M36 | 510 | 426 | 770 | 215 | 450.5 | 408 | 35 | 105 | 105 | 3 |
| YJZ80-6C | 80 | 6.5 | 16.5 | 420±0.5 | 135±0.25 | 6-φ39 | 6-M36 | 510 | 426 | 840 | 215 | 450.5 | 408 | 35 | 105 | 105 | 3 |
| YJZ100-6A | 100 | 7.5 | 18.6 | 380±0.3 | 125±0.25 | 6-φ26 | 6-M24 | 460 | 416 | 1000 | 240 | 490 | 460 | 40 | 120 | 120 | 3 |
| YJZ100-6C | 100 | 7.5 | 18.6 | 460±0.75 | 118±0.75 | 8-φ38 | 8-M36 | 550 | 490 | 875 | 240 | 493 | 448 | 35 | 105 | 105 | 4 |
| YJZ125-6C | 125 | 9.5 | 23 | 460±0.75 | 118±0.75 | 8-φ38 | 8-M36 | 550 | 490 | 954 | 240 | 493 | 448 | 35 | 105 | 105 | 4 |
| YJZ140-6C | 140 | 12 | 28.4 | 460±0.75 | 118±0.75 | 8-φ38 | 8-M36 | 550 | 520 | 1040 | 240 | 493 | 448 | 35 | 105 | 105 | 4 |
| YJZ150-6C | 150 | 13 | 31 | 460±0.75 | 118±0.75 | 8-φ39 | 8-M36 | 550 | 520 | 1040 | 240 | 493 | 448 | 35 | 105 | 105 | 4 |
| YJZ160-6C | 160 | 14 | 32.5 | 520±0.75 | 120±0.75 | 8-φ45 | 8-M42 | 610 | 511 | 950 | 270 | 550 | 508 | 45 | 125 | 125 | 4 |
3相 6极 电压380V 频率HZ 同步转速1000r/min 安装方式:立式
| 型号 | 最大激振力(KN) | 额定功率(KW) | 额定电流(A) | 主要尺寸(mm) | 质量(kg) | 外形围号 | ||||||
| A | B | C | D | L | a | R | ||||||
| YJZ100-6-B5 | 100 | 7.5 | 18.6 | 610 | 50 | 10 | 510 | 860 | 300 | 220 | 470 | 6 |



